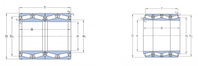
Four row tapered roller bearing OD:654.924mm/OD:655mmOD:673.1mm/OD:711.2mm/OD:690mm
|
Designations |
Boundary Dimensions |
Basic Load Ratings |
Mass(kg) |
|||
|
d |
D |
B |
Cr |
Cor |
Refer. |
|
|
3806/509X4HC |
509.948 |
654.924 |
377 |
5200 |
17500 |
312 |
|
NP907899/ NP385281 |
510 |
655 |
377 |
5500 |
16200 |
316 |
|
LM274449DGW/ 10/ 10D |
514.35 |
673. 1 |
422.275 |
7000 |
21000 |
408 |
|
LM275349D/ 10/ 10D |
520.7 |
711.2 |
400.05 |
8000 |
19500 |
476 |
|
331978 BG |
540 |
690 |
400 |
6270 |
11400 |
375 |




