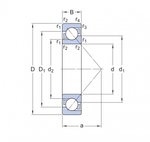
Angular contact ball bearing 7008 7009 7010 7011 7012
|
Designations |
Boundary Dimensions |
Basic Load |
Mass(kg) |
|||
|
d |
D |
B |
Cr |
Cor |
Refer. |
|
|
40 |
68 |
15 |
15.9 |
10.4 |
0.19 |
|
|
45 |
75 |
16 |
27.6 |
21.6 |
0.24 |
|
|
50 |
80 |
16 |
28.1 |
23.2 |
0.25 |
|
|
55 |
90 |
18 |
37.1 |
31 |
0.38 |
|
|
60 |
95 |
18 |
39 |
33.5 |
0.4 |
|
|
7013 |
65 |
100 |
18 |
39 |
35.5 |
0.43 |
|
7014 |
70 |
110 |
20 |
52 |
45.5 |
0.5 |
|
7015 |
75 |
115 |
20 |
52.7 |
49 |
0.53 |
|
7016 |
80 |
125 |
22 |
62.4 |
58.5 |
0.85 |







