High Temperature Deep Groove Ball Bearing 6305-2Z/VA208 6306-2Z/VA228
|
Designations |
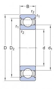
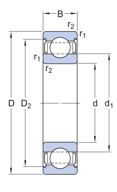
Boundary Dimensions |
Basic Load Ratings |
Mass(kg) |
Maximum operating temperature (°C) |
||
|
d |
D |
B |
C0 |
Refer. |
||
|
6215-2Z/VA208 |
25 |
62 |
17 |
11.6 |
0.228 |
350 |
|
6215-2Z/VA201 |
30 |
72 |
19 |
16 |
0.346 |
350 |
For more information , please contact our email : info@cf-bearing.com





