Z17B type locking assembles
Z17B expansion coupling sleeve is a connector commonly used in mechanical transmission systems, mainly used to fasten two parts together. Its basic principle is to use the expansion device to achieve the connection of components, this connection can provide efficient transmission stability and reliability.
Main features and applications:
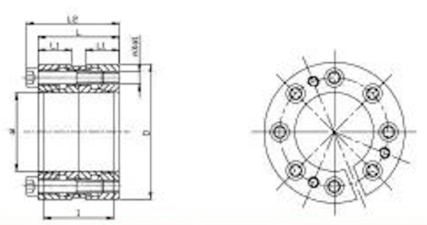
Structure: The Z17B type expansion coupling sleeve is usually composed of an inner sleeve and a jacket, which are fastened together by bolts or other fastening devices. The expansion ring between the inner sleeve and the jacket, when tightened, produces a uniform tightening force, thus achieving an efficient transmission connection.
Materials: Commonly used materials include high-strength steel or alloys to ensure the strength and durability of the coupling sleeve.
Performance: This coupling sleeve has excellent torque transmission capacity and can withstand large axial and radial loads. It also reduces vibration and noise during operation and improves the operational stability of mechanical systems.
Application: Widely used in a variety of mechanical equipment, such as motors, gear boxes, fans, etc., especially in the need for high-precision and high-strength connections.
Installation and maintenance: It is necessary to ensure the matching accuracy of the shaft and hole of the coupling sleeve during installation to avoid excessive wear or failure during operation. Regular inspection and maintenance can extend its service life.
The Z17B expansion coupling sleeve must be designed and manufactured in accordance with relevant industry standards to ensure its performance and safety.
|
Basic size |
Rated load |
Hexagon socket screw |
The pressure on the joint surface of the cover and shaft pf |
Pressure on the joint surface of the sleeve and wheel pf |
weight |
||||||||
|
d |
D |
L1 |
L2 |
Lt |
L4 |
Torque Mt |
Axial force Ft |
d1 |
n |
MA |
w.t |
||
|
Basic dimensions(mm) |
KN·m |
kN |
|
|
N*m |
N/mm2 |
N/mm² |
kg |
|||||
|
200 |
260 |
102 |
46 |
114 |
126 |
67.6 |
676 |
M12 |
18 |
145 |
88 |
75 |
17.4 |
|
220 |
285 |
110 |
50 |
122 |
136 |
90.7 |
825 |
M14 |
16 |
230 |
90 |
77 |
22.3 |
|
240 |
305 |
110 |
50 |
122 |
136 |
99.0 |
825 |
M14 |
16 |
230 |
83 |
72 |
24.1 |
|
260 |
325 |
110 |
50 |
122 |
136 |
120.6 |
928 |
M14 |
18 |
230 |
86 |
76 |
25.8 |
|
280 |
355 |
130 |
60 |
146 |
162 |
180.5 |
1289 |
M16 |
18 |
355 |
94 |
B0 |
38.2 |
|
300 |
375 |
130 |
60 |
146 |
162 |
215 |
1433 |
M16 |
20 |
355 |
97 |
84 |
40.6 |
|
320 |
405 |
154 |
72 |
170 |
188 |
276 |
1724 |
M18 |
20 |
485 |
93 |
78 |
58.6 |
|
340 |
425 |
154 |
72 |
170 |
188 |
293 |
1724 |
M18 |
20 |
485 |
87 |
75 |
61.8 |
|
360 |
455 |
178 |
84 |
198 |
216 |
372 |
2069 |
M18 |
24 |
485 |
86 |
72 |
85.0 |
|
380 |
475 |
78 |
84 |
198 |
216 |
393 |
2069 |
M18 |
24 |
485 |
81 |
69 |
89.2 |
|
400 |
495 |
178 |
84 |
198 |
216 |
414 |
2069 |
M18 |
24 |
485 |
77 |
66 |
93.4 |
|
420 |
515 |
178 |
84 |
198 |
216 |
507 |
2413 |
M18 |
28 |
485 |
86 |
74 |
97.5 |
|
440 |
545 |
202 |
96 |
226 |
246 |
517 |
2348 |
M20 |
24 |
690 |
70 |
59 |
128.9 |
|
460 |
565 |
202 |
96 |
226 |
246 |
540 |
2348 |
M20 |
24 |
690 |
67 |
57 |
134.1 |
|
480 |
585 |
202 |
96 |
226 |
246 |
564 |
2348 |
M20 |
24 |
690 |
64 |
55 |
139.3 |
|
500 |
605 |
202 |
96 |
226 |
246 |
685 |
2740 |
M20 |
28 |
690 |
72 |
63 |
144.5 |
|
520 |
630 |
202 |
96 |
226 |
246 |
712 |
2740 |
M20 |
28 |
690 |
69 |
60 |
157.6 |
|
540 |
650 |
202 |
96 |
226 |
246 |
740 |
2740 |
M20 |
28 |
690 |
67 |
58 |
163.1 |
|
560 |
670 |
202 |
96 |
226 |
246 |
822 |
2935 |
M20 |
30 |
690 |
69 |
60 |
168.6 |
|
580 |
690 |
202 |
96 |
226 |
246 |
851 |
2935 |
M20 |
30 |
690 |
66 |
59 |
174.0 |
|
600 |
710 |
202 |
96 |
226 |
246 |
880 |
2935 |
M20 |
30 |
690 |
64 |
57 |
179.5 |




