Hydraulic Nut YXF HMY28A YXF HMY29A YXF HMY30A
Hydraulic nut features:
1.Due to the use of ultra-high pressure hydraulic system, the size of the hydraulic bolt matches the original traditional nut, there is no need to modify the original bolt design;
2.No wrench and sleeve space, the size of the bolt pair is more compact;
3.screw operation and pure tensile state, the same size screw can provide more than 20%-30% of the output contribution, and the bolt pair is safer;
4.Through the use of hydraulic tension bolts, the predetermined load is more accurate, fastening more reliable;
5.The world’s most advanced polyurethane/metal composite sealing structure, the overall sealing structure sealing parts are less, the sealing form takes into account low pressure and high pressure seal, especially suitable for working under ultra-high pressure conditions;
6. the cylinder working stiffness is good, stable and reliable, easy to operate;
7.When the piston exceeds its stroke, the system automatically releases the pressure, and the system can effectively correct the operator’s error;
8.all bolts can be tightened at the same time, which greatly improves the assembly efficiency and ensures the most uniform compression force on the flange.
|
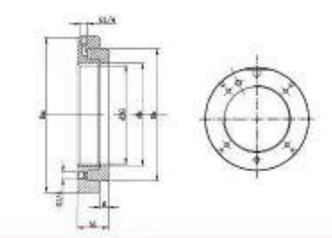
Designations |
Boundary Dimensions |
Piston displacement |
Piston area |
W.t |
|||||
|
d2G |
dk |
DK |
Dm |
b |
g |
KG |
|||
|
YXF HMY28A |
M140x2 |
140.5 |
200 |
208 |
38 |
7 |
5 |
6800 |
6.00 |
|
YXF HMY29A |
M145x2 |
145.5 |
206 |
214 |
39 |
7 |
5 |
7300 |
6.50 |
|
YXF HMY30A |
M150x2 |
150.5 |
211 |
220 |
39 |
7 |
5 |
7500 |
6.60 |
|
YXF HMY31A |
M155x3 |
155.5 |
218 |
226 |
39 |
7 |
5 |
8100 |
6.95 |
|
YXF HMY32A |
M160x3 |
160.5 |
224 |
232 |
40 |
7 |
6 |
8600 |
760 |
|
YXF HMY33A |
M165x3 |
165.5 |
229 |
238 |
40 |
7 |
6 |
8900 |
7.90 |
|
YXF HMY34A |
M170x3 |
170.5 |
235 |
244 |
41 |
7 |
6 |
9400 |
8.40 |
|
YXF HMY36A |
M180x3 |
180.5 |
247 |
256 |
41 |
7 |
6 |
10300 |
9.15 |
|
YXF HMY38A |
M190x3 |
191 |
259 |
270 |
42 |
8 |
7 |
11500 |
10.5 |
|
YXF HMY40A |
M200x3 |
201 |
271 |
282 |
43 |
8 |
8 |
12500 |
11.5 |
For more information , please contact our email :info@cf-bearing.com





